轴承专区
Bearings Center
361204 R轴承-SKF 361204 R轴承尺寸、图纸、价格
SKF 361204 R轴承
| 产品名称: | 361204 R轴承 | 品牌: | SKF |
|---|---|---|---|
| 类型: | SKF轴承 > 滚动轴承 > 滚轮轴承 | ||
| 描述: | 361204 R轴承是【SKF轴承 > 滚动轴承 > 滚轮轴承】的型号,主要用在变速器、罗茨鼓风机、泵、建筑机械、破碎机、制铁制钢机械、立式电动机、化纤机械、堆取料机、正面吊等各大领域 | ||
电话/微信:138-8949-5179
SKF 361204 R轴承详细信息
361204 R轴承是【SKF轴承 > 滚动轴承 > 滚轮轴承】的型号,主要用在变速器、罗茨鼓风机、泵、建筑机械、破碎机、制铁制钢机械、立式电动机、化纤机械、堆取料机、正面吊等各大领域。
SKF 361204 R轴承详细参数
| 凸轮滚柱 | |||||||||||
| 尺寸 | 基本负荷额定值 | 疲劳限值 | 最大径向负荷 | 限制速度 | 体积 | 型号 | |||||
| 动态 | 静态 | 动态 | 静态 | ||||||||
| D | d | B | C | C0 | Pu | Fr | F0r | ||||
| mm | kN | kN | kN | r/min | kg | - | |||||
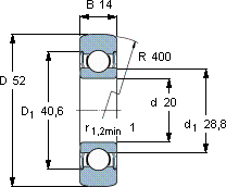
| 52 | 20 | 14 | 11,4 | 5,4 | 0,228 | 7,35 | 10,6 | 7500 | 0,16 | 361204 R | |
SKF 361204 R轴承尺寸图纸

