轴承专区
Bearings Center
307-2ZNR轴承-SKF 307-2ZNR轴承尺寸、图纸、价格
SKF 307-2ZNR轴承
| 产品名称: | 307-2ZNR轴承 | 品牌: | SKF |
|---|---|---|---|
| 类型: | SKF轴承 > 滚动轴承 > 深沟球轴承 | ||
| 描述: | 307-2ZNR轴承是【SKF轴承 > 滚动轴承 > 深沟球轴承】的型号,主要用在飞机喷气式发动机、油泵、变速器、机床主轴、振动筛、石油钻机、燃机、钟表、给料机械、坦克等各大领域 | ||
电话/微信:138-8949-5179
SKF 307-2ZNR轴承详细信息
307-2ZNR轴承是【SKF轴承 > 滚动轴承 > 深沟球轴承】的型号,主要用在飞机喷气式发动机、油泵、变速器、机床主轴、振动筛、石油钻机、燃机、钟表、给料机械、坦克等各大领域。
SKF 307-2ZNR轴承详细参数
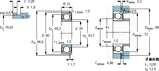
| 深沟球轴承, 单列,带装球缺口和止动环槽, 两面防尘罩 | |||||||||||
| 主要数据尺寸 | 基本负荷额定值 | 疲劳负荷限值 | 额定速度 | 体积 | 型号 | ||||||
| 动态 | 静态 | 参照速度 | 限制速度 | 轴承,带止动环 | 止动环 | ||||||
| d | D | B | C | C0 | Pu | ||||||
| mm | kN | kN | r/min | kg | - | ||||||
| 35 | 80 | 21 | 39,1 | 28,5 | 1,2 | 16000 | 8000 | 0,48 | 307-2ZNR | SP 80 | |
SKF 307-2ZNR轴承尺寸图纸

