轴承专区
Bearings Center
350981 C轴承-SKF 350981 C轴承尺寸、图纸、价格
SKF 350981 C轴承
| 产品名称: | 350981 C轴承 | 品牌: | SKF |
|---|---|---|---|
| 类型: | SKF轴承 > 滚动轴承 > 圆锥滚子推力轴承 | ||
| 描述: | 350981 C轴承是【SKF轴承 > 滚动轴承 > 圆锥滚子推力轴承】的型号,主要用在各种产业机械、高频马达、燃汽轮机、前轮、各类产业用减速机、机床主轴、发电厂、薄膜拉伸、混凝土机械、冶金起重机等各大领域 | ||
电话/微信:138-8949-5179
SKF 350981 C轴承详细信息
350981 C轴承是【SKF轴承 > 滚动轴承 > 圆锥滚子推力轴承】的型号,主要用在各种产业机械、高频马达、燃汽轮机、前轮、各类产业用减速机、机床主轴、发电厂、薄膜拉伸、混凝土机械、冶金起重机等各大领域。
SKF 350981 C轴承详细参数
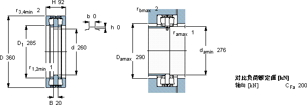
| 圆锥滚子推力轴承, 双向 | ||||||||
| 主要数据尺寸 | 基本负荷额定值 | 疲劳负荷限值 | 最小负荷系数 | 型号 | ||||
| 动态 | 静态 | |||||||
| d | D | H | C | C0 | Pu | |||
| mm | kN | kN | kg | - | ||||
| 260 | 360 | 92 | 605 | 2600 | 193 | 28,0 | 350981 C | |
SKF 350981 C轴承尺寸图纸

