轴承专区
Bearings Center
BS2B 243123轴承-SKF BS2B 243123轴承尺寸、图纸、价格
SKF BS2B 243123轴承
| 产品名称: | BS2B 243123轴承 | 品牌: | SKF |
|---|---|---|---|
| 类型: | SKF轴承 > 滚动轴承 > 球面滚子轴承 | ||
| 描述: | BS2B 243123轴承是【SKF轴承 > 滚动轴承 > 球面滚子轴承】的型号,主要用在内燃机、小型汽车前轮、发电机、差速器、振动筛、耕耘机、挤压机、啤酒、平地机、码垛机器人等各大领域 | ||
电话/微信:138-8949-5179
SKF BS2B 243123轴承详细信息
BS2B 243123轴承是【SKF轴承 > 滚动轴承 > 球面滚子轴承】的型号,主要用在内燃机、小型汽车前轮、发电机、差速器、振动筛、耕耘机、挤压机、啤酒、平地机、码垛机器人等各大领域。
SKF BS2B 243123轴承详细参数
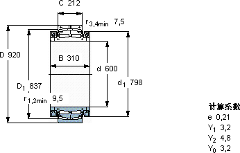
| 球面滚子轴承, 剖分式 | |||||||||
| 主要数据尺寸 | 基本负荷额定值 | 疲劳负荷限值 | 体积 | 型号 | |||||
| 动态 | 静态 | ||||||||
| d | D | B | C | C | C0 | Pu | |||
| mm | kN | kN | kg | - | |||||
| 600 | 920 | 310 | 212 | 5640 | 12000 | 750 | 690 | BS2B 243123 | |
SKF BS2B 243123轴承尺寸图纸

