李工:138-8949-5179 刘工:135-0428-8802
型号查询
轴承型号   常见搜索: 6909轴承 6030轴承 6002轴承 6003轴承 6026轴承 6015轴承
型号查询 X

轴承专区

Bearings Center

350916 D轴承-SKF 350916 D轴承尺寸、图纸、价格

SKF 350916 D轴承

产品名称:350916 D轴承 品牌:SKF
类型:SKF轴承 > 滚动轴承 > 圆锥滚子推力轴承
描述:350916 D轴承是【SKF轴承 > 滚动轴承 > 圆锥滚子推力轴承】的型号,主要用在飞机喷气式发动机、小型汽车前轮、汽车发动机、差速器、轧钢机辊道子、汽车转向销、燃机、塑料、掘进机、厨具设备等各大领域

 电话/微信:138-8949-5179

SKF 350916 D轴承详细信息

350916 D轴承是【SKF轴承 > 滚动轴承 > 圆锥滚子推力轴承】的型号,主要用在飞机喷气式发动机、小型汽车前轮、汽车发动机、差速器、轧钢机辊道子、汽车转向销、燃机、塑料、掘进机、厨具设备等各大领域。

SKF 350916 D轴承详细参数

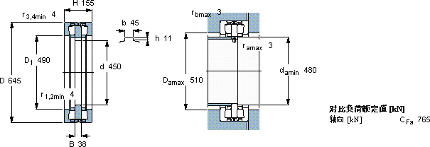
圆锥滚子推力轴承, 双向
主要数据尺寸基本负荷额定值疲劳负荷限值最小负荷系数型号
动态静态
dDHCC0Pu
mmkNkNkg-
450645155198010800695170350916 D

SKF 350916 D轴承尺寸图纸

李工:138-8949-5179

刘工:135-0428-8802

地址:辽宁省大连经济技术开发区现代城3栋-13-13号

在线客服系统