轴承专区
Bearings Center
3322 DMA轴承-SKF 3322 DMA轴承尺寸、图纸、价格
SKF 3322 DMA轴承
| 产品名称: | 3322 DMA轴承 | 品牌: | SKF |
|---|---|---|---|
| 类型: | SKF轴承 > 滚动轴承 > 角接触球轴承 | ||
| 描述: | 3322 DMA轴承是【SKF轴承 > 滚动轴承 > 角接触球轴承】的型号,主要用在通用电动机、罗茨鼓风机、汽车发动机、建筑机械、各类产业用减速机、制铁制钢机械、轧钢机轧制螺杆用减速机、陶瓷机械、起重机械、机场加油机等各大领域 | ||
电话/微信:138-8949-5179
SKF 3322 DMA轴承详细信息
3322 DMA轴承是【SKF轴承 > 滚动轴承 > 角接触球轴承】的型号,主要用在通用电动机、罗茨鼓风机、汽车发动机、建筑机械、各类产业用减速机、制铁制钢机械、轧钢机轧制螺杆用减速机、陶瓷机械、起重机械、机场加油机等各大领域。
SKF 3322 DMA轴承详细参数
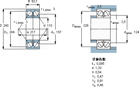
| 角接触球轴承, 双列, 无密封件, 两部份内圈 | ||||||||||
| 主要数据尺寸 | 基本负荷额定值 | 疲劳负荷限值 | 额定速度 | 体积 | 型号 | |||||
| 动态 | 静态 | 参照速度 | 限制速度 | |||||||
| d | D | B | C | C0 | Pu | |||||
| mm | kN | kN | r/min | kg | - | |||||
| 110 | 240 | 92,1 | 307 | 375 | 12 | 2400 | 2600 | 21,0 | 3322 DMA | |
SKF 3322 DMA轴承尺寸图纸

