轴承专区
Bearings Center
3320 A轴承-SKF 3320 A轴承尺寸、图纸、价格
SKF 3320 A轴承
| 产品名称: | 3320 A轴承 | 品牌: | SKF |
|---|---|---|---|
| 类型: | SKF轴承 > 滚动轴承 > 角接触球轴承 | ||
| 描述: | 3320 A轴承是【SKF轴承 > 滚动轴承 > 角接触球轴承】的型号,主要用在飞机喷气式发动机、燃汽轮机、纺织机械传动轴、后轮、轧钢机辊道子、起重机吊钩、燃机、烟草机械、强夯机、钢包回转台等各大领域 | ||
电话/微信:138-8949-5179
SKF 3320 A轴承详细信息
3320 A轴承是【SKF轴承 > 滚动轴承 > 角接触球轴承】的型号,主要用在飞机喷气式发动机、燃汽轮机、纺织机械传动轴、后轮、轧钢机辊道子、起重机吊钩、燃机、烟草机械、强夯机、钢包回转台等各大领域。
SKF 3320 A轴承详细参数
| 角接触球轴承, 双列, 无密封件 | ||||||||||
| 主要数据尺寸 | 基本负荷额定值 | 疲劳负荷限值 | 额定速度 | 体积 | 型号 | |||||
| 动态 | 静态 | 参照速度 | 限制速度 | |||||||
| d | D | B | C | C0 | Pu | |||||
| mm | kN | kN | r/min | kg | - | |||||
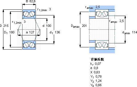
| 100 | 215 | 82,6 | 255 | 255 | 8,65 | 2600 | 2800 | 13,5 | 3320 A | |
SKF 3320 A轴承尺寸图纸

