轴承专区
Bearings Center
316351 CD轴承-SKF 316351 CD轴承尺寸、图纸、价格
SKF 316351 CD轴承
| 产品名称: | 316351 CD轴承 | 品牌: | SKF |
|---|---|---|---|
| 类型: | SKF轴承 > 滚动轴承 > 圆柱滚子轴承 | ||
| 描述: | 316351 CD轴承是【SKF轴承 > 滚动轴承 > 圆柱滚子轴承】的型号,主要用在装卸搬运机械、离心分离机、发电机、变速器、减速装置、制铁制钢机械、矿山、薄膜拉伸、堆取料机、摩天轮等各大领域 | ||
电话/微信:138-8949-5179
SKF 316351 CD轴承详细信息
316351 CD轴承是【SKF轴承 > 滚动轴承 > 圆柱滚子轴承】的型号,主要用在装卸搬运机械、离心分离机、发电机、变速器、减速装置、制铁制钢机械、矿山、薄膜拉伸、堆取料机、摩天轮等各大领域。
SKF 316351 CD轴承详细参数
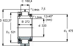
| 圆柱滚子轴承, 剖分式单列 | |||||||||||
| 主要数据尺寸 | 基本负荷额定值 | 疲劳负荷限值 | 径向内部游隙 | 体积 | 型号 | ||||||
| 动态 | 静态 | ||||||||||
| d | D | B | C | C | C0 | Pu | 最小 | 最大 | |||
| mm | kN | kN | mm | kg | - | ||||||
| 320 | 622,37 | 272 | 160,4 | 2920 | 4400 | 360 | 0,145 | 0,225 | 330 | 316351 CD | |
SKF 316351 CD轴承尺寸图纸

