轴承专区
Bearings Center
SKF 312轴承
| 产品名称: | 312轴承 | 品牌: | SKF |
|---|---|---|---|
| 类型: | SKF轴承 > 滚动轴承 > 深沟球轴承 | ||
| 描述: | 312轴承是【SKF轴承 > 滚动轴承 > 深沟球轴承】的型号,主要用在农业机械、空气压缩机、纺织机械传动轴、大型农业机械、木工机械、汽车转向销、钢铁厂、破碎、土方机械、刮泥机等各大领域 | ||
电话/微信:138-8949-5179
SKF 312轴承详细信息
312轴承是【SKF轴承 > 滚动轴承 > 深沟球轴承】的型号,主要用在农业机械、空气压缩机、纺织机械传动轴、大型农业机械、木工机械、汽车转向销、钢铁厂、破碎、土方机械、刮泥机等各大领域。
SKF 312轴承详细参数
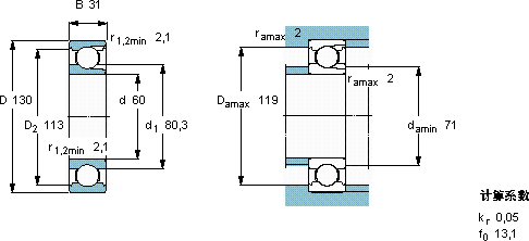
| 深沟球轴承, 单列,带装球缺口, 无密封件 | ||||||||||
| 主要数据尺寸 | 基本负荷额定值 | 疲劳负荷限值 | 额定速度 | 体积 | 型号 | |||||
| 动态 | 静态 | 参照速度 | 限制速度 | |||||||
| d | D | B | C | C0 | Pu | |||||
| mm | kN | kN | r/min | kg | - | |||||
| 60 | 130 | 31 | 91,3 | 78 | 3,35 | 9500 | 6000 | 1,85 | 312 | |
SKF 312轴承尺寸图纸

