李工:138-8949-5179 刘工:135-0428-8802
型号查询
轴承型号   常见搜索: 6006轴承 6309轴承 6030轴承 6013轴承 6003轴承 6007轴承
型号查询 X

轴承专区

Bearings Center

311-ZNR轴承-SKF 311-ZNR轴承尺寸、图纸、价格

SKF 311-ZNR轴承

产品名称:311-ZNR轴承 品牌:SKF
类型:SKF轴承 > 滚动轴承 > 深沟球轴承
描述:311-ZNR轴承是【SKF轴承 > 滚动轴承 > 深沟球轴承】的型号,主要用在装卸搬运机械、罗茨鼓风机、汽车发动机、建筑机械、减速装置、制铁制钢机械、矿山、饮料设备、堆取料机、伽玛等各大领域

 电话/微信:138-8949-5179

SKF 311-ZNR轴承详细信息

311-ZNR轴承是【SKF轴承 > 滚动轴承 > 深沟球轴承】的型号,主要用在装卸搬运机械、罗茨鼓风机、汽车发动机、建筑机械、减速装置、制铁制钢机械、矿山、饮料设备、堆取料机、伽玛等各大领域。

SKF 311-ZNR轴承详细参数

深沟球轴承, 单列,带装球缺口和止动环槽, 单面防尘罩
主要数据尺寸基本负荷额定值疲劳负荷限值额定速度体积型号
动态静态参照速度限制速度轴承,带止动环止动环
dDBCC0Pu
mmkNkNr/minkg-
551202979,2672,851000067001,50311-ZNRSP 120

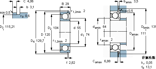
SKF 311-ZNR轴承尺寸图纸

李工:138-8949-5179

刘工:135-0428-8802

地址:辽宁省大连经济技术开发区现代城3栋-13-13号

在线客服系统