轴承专区
Bearings Center
306890轴承-SKF 306890轴承尺寸、图纸、价格
SKF 306890轴承
| 产品名称: | 306890轴承 | 品牌: | SKF |
|---|---|---|---|
| 类型: | SKF轴承 > 滚动轴承 > 深沟球轴承 | ||
| 描述: | 306890轴承是【SKF轴承 > 滚动轴承 > 深沟球轴承】的型号,主要用在装卸搬运机械、印刷机械、桥式起重机、轧钢机辊颈、破碎机、石油钻机转环、矿山、饮料设备、凿岩机械、风力发电设备等各大领域 | ||
电话/微信:138-8949-5179
SKF 306890轴承详细信息
306890轴承是【SKF轴承 > 滚动轴承 > 深沟球轴承】的型号,主要用在装卸搬运机械、印刷机械、桥式起重机、轧钢机辊颈、破碎机、石油钻机转环、矿山、饮料设备、凿岩机械、风力发电设备等各大领域。
SKF 306890轴承详细参数
| 深沟球轴承, 单列, 无密封件 | |||||||||||
| 主要数据尺寸 | 基本负荷额定值 | 疲劳负荷限值 | 额定速度 | 体积 | 型号 | ||||||
| 动态 | 静态 | 参照速度 | 限制速度 | ||||||||
| d | D | B | C | C0 | Pu | ||||||
| mm | kN | kN | r/min | kg | - | ||||||
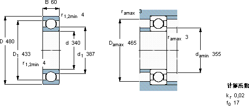
| 340 | 480 | 60 | 291 | 430 | 9 | 2600 | 2200 | 36,0 | 306890 | ||
SKF 306890轴承尺寸图纸

