轴承专区
Bearings Center
53308轴承-SKF 53308轴承尺寸、图纸、价格
SKF 53308轴承
| 产品名称: | 53308轴承 | 品牌: | SKF |
|---|---|---|---|
| 类型: | SKF轴承 > 滚动轴承 > 推力球轴承 | ||
| 描述: | 53308轴承是【SKF轴承 > 滚动轴承 > 推力球轴承】的型号,主要用在家用电器、燃汽轮机、泵、后轮、铁路车辆车轴、石油钻机、塔吊、破碎、解体机、雷达等各大领域 | ||
电话/微信:138-8949-5179
SKF 53308轴承详细信息
53308轴承是【SKF轴承 > 滚动轴承 > 推力球轴承】的型号,主要用在家用电器、燃汽轮机、泵、后轮、铁路车辆车轴、石油钻机、塔吊、破碎、解体机、雷达等各大领域。
SKF 53308轴承详细参数
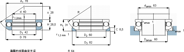
| 推力球轴承, 单向,带球面轴承座垫圈 | ||||||||||||
| 主要数据尺寸 | 基本负荷额定值 | 疲劳负荷限值 | 最小负荷系数 | 额定速度 | 体积 | 型号 | ||||||
| 动态 | 静态 | 参照速度 | 限制速度 | 轴承 +垫圈 | 轴承 | 基座垫圈 | ||||||
| d | D | H1 | C | C0 | Pu | A | ||||||
| mm | kN | kN | - | r/min | kg | - | ||||||
| 40 | 78 | 31 | 61,8 | 122 | 4,5 | 0,077 | 3000 | 4300 | 0,67 | 53308 | U 308 | |
SKF 53308轴承尺寸图纸

