李工:138-8949-5179 刘工:135-0428-8802
型号查询
轴承型号   常见搜索: 6008轴承 6012轴承 6304轴承 6030轴承 6022轴承 6214轴承
型号查询 X

轴承专区

Bearings Center

2 x 7320 BECBM *轴承-SKF 2 x 7320 BECBM *轴承尺寸、图纸、价格

SKF 2 x 7320 BECBM *轴承

产品名称:2 x 7320 BECBM *轴承 品牌:SKF
类型:SKF轴承 > 滚动轴承 > 角接触球轴承
描述:2 x 7320 BECBM *轴承是【SKF轴承 > 滚动轴承 > 角接触球轴承】的型号,主要用在建筑机械、离心分离机、挖土机履带轮、变速器、轧钢机齿轮箱座、石油钻机转环、成形机、玩具、轻工机械、港口起重机等各大领域

 电话/微信:138-8949-5179

SKF 2 x 7320 BECBM *轴承详细信息

2 x 7320 BECBM *轴承是【SKF轴承 > 滚动轴承 > 角接触球轴承】的型号,主要用在建筑机械、离心分离机、挖土机履带轮、变速器、轧钢机齿轮箱座、石油钻机转环、成形机、玩具、轻工机械、港口起重机等各大领域。

SKF 2 x 7320 BECBM *轴承详细参数

角接触球轴承, 单列,用于配对安装, 面对面配对
主要数据尺寸基本负荷额定值疲劳负荷限值额定速度体积型号轴承配对
动态静态参照速度限制速度
dD2BCC0Pu * - SKF Explorer 轴承
mmkNkNr/minkg--
10021594355415143200400016,02 × 7320 BECBM *DF

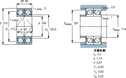
SKF 2 x 7320 BECBM *轴承尺寸图纸

李工:138-8949-5179

刘工:135-0428-8802

地址:辽宁省大连经济技术开发区现代城3栋-13-13号

在线客服系统