轴承专区
Bearings Center
608/850 MB轴承-SKF 608/850 MB轴承尺寸、图纸、价格
SKF 608/850 MB轴承
| 产品名称: | 608/850 MB轴承 | 品牌: | SKF |
|---|---|---|---|
| 类型: | SKF轴承 > 滚动轴承 > 深沟球轴承 | ||
| 描述: | 608/850 MB轴承是【SKF轴承 > 滚动轴承 > 深沟球轴承】的型号,主要用在飞机喷气式发动机、燃汽轮机、变速器、后轮、铁路车辆车轴、起重机吊钩、燃机、破碎、专用车、钢包回转台等各大领域 | ||
电话/微信:138-8949-5179
SKF 608/850 MB轴承详细信息
608/850 MB轴承是【SKF轴承 > 滚动轴承 > 深沟球轴承】的型号,主要用在飞机喷气式发动机、燃汽轮机、变速器、后轮、铁路车辆车轴、起重机吊钩、燃机、破碎、专用车、钢包回转台等各大领域。
SKF 608/850 MB轴承详细参数
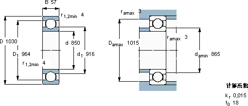
| 深沟球轴承, 单列, 无密封件 | |||||||||||
| 主要数据尺寸 | 基本负荷额定值 | 疲劳负荷限值 | 额定速度 | 体积 | 型号 | ||||||
| 动态 | 静态 | 参照速度 | 限制速度 | ||||||||
| d | D | B | C | C0 | Pu | ||||||
| mm | kN | kN | r/min | kg | - | ||||||
| 850 | 1030 | 57 | 397 | 1020 | 14 | 950 | 750 | 75,0 | 608/850 MB | ||
SKF 608/850 MB轴承尺寸图纸

