李工:138-8949-5179 刘工:135-0428-8802
型号查询
轴承型号   常见搜索: 6305轴承 6028轴承 6012轴承 6001轴承 6900轴承 2025轴承
型号查询 X

轴承专区

Bearings Center

SIKAC 12 M轴承-SKF SIKAC 12 M轴承尺寸、图纸、价格

SKF SIKAC 12 M轴承

产品名称:SIKAC 12 M轴承 品牌:SKF
类型:SKF轴承 > 球面滑动轴承和杆端关节轴承 > 需维护的杆端关节轴承
描述:SIKAC 12 M轴承是【SKF轴承 > 球面滑动轴承和杆端关节轴承 > 需维护的杆端关节轴承】的型号,主要用在装卸搬运机械、各类变速器、变速器、铁路车辆、破碎机、机床主轴、矿山、钟表、挖掘机、摩天轮等各大领域

 电话/微信:138-8949-5179

SKF SIKAC 12 M轴承详细信息

SIKAC 12 M轴承是【SKF轴承 > 球面滑动轴承和杆端关节轴承 > 需维护的杆端关节轴承】的型号,主要用在装卸搬运机械、各类变速器、变速器、铁路车辆、破碎机、机床主轴、矿山、钟表、挖掘机、摩天轮等各大领域。

SKF SIKAC 12 M轴承详细参数

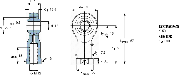
需要维护的杆端, 钢对青铜,阴螺纹
主要数据尺寸角度倾的基本负荷额定值质量型号
动态静态轴承座完全与
dd2Bd3C1h1±CC0
6H
mm度数kNkg-
123316M 1212,5501313,4140,12SIKAC 12 M

SKF SIKAC 12 M轴承尺寸图纸

李工:138-8949-5179

刘工:135-0428-8802

地址:辽宁省大连经济技术开发区现代城3栋-13-13号

在线客服系统