轴承专区
Bearings Center
HMVC 100E轴承-SKF HMVC 100E轴承尺寸、图纸、价格
SKF HMVC 100E轴承
| 产品名称: | HMVC 100E轴承 | 品牌: | SKF |
|---|---|---|---|
| 类型: | SKF轴承 > 滚动轴承 > 轴承附件 | ||
| 描述: | HMVC 100E轴承是【SKF轴承 > 滚动轴承 > 轴承附件】的型号,主要用在建筑机械、印刷机械、燃汽轮机、轧钢机辊颈、减速装置、石油钻机转环、成形机、医药设备、凿岩机械、焊接机器人等各大领域 | ||
电话/微信:138-8949-5179
SKF HMVC 100E轴承详细信息
HMVC 100E轴承是【SKF轴承 > 滚动轴承 > 轴承附件】的型号,主要用在建筑机械、印刷机械、燃汽轮机、轧钢机辊颈、减速装置、石油钻机转环、成形机、医药设备、凿岩机械、焊接机器人等各大领域。
SKF HMVC 100E轴承详细参数
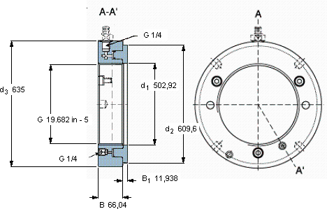
| Hydraulic nuts, inch sizes | ||||||||||||
| 螺纹尺寸 | 尺寸 | Permitted | Piston area | 体积 | 型号 | |||||||
| piston | ||||||||||||
| G | d1 | d2 | d3 | B | B1 | displacement | ||||||
| mm | mm (metric sizes) | mm | mm | mm2 (metric sizes) | kg | - | ||||||
| in - threads/in (inch sizes) | in2 (inch sizes) | |||||||||||
| 496,875 | 19.682 in - 5 | 502,92 | 609,6 | 635 | 66,04 | 11,938 | 19,05 | 79,8 | 154 | HMVC100E | - | |
SKF HMVC 100E轴承尺寸图纸

