轴承专区
Bearings Center
231/710 CA/W33轴承-SKF 231/710 CA/W33轴承尺寸、图纸、价格
SKF 231/710 CA/W33轴承
| 产品名称: | 231/710 CA/W33轴承 | 品牌: | SKF |
|---|---|---|---|
| 类型: | SKF轴承 > 滚动轴承 > 球面滚子轴承 | ||
| 描述: | 231/710 CA/W33轴承是【SKF轴承 > 滚动轴承 > 球面滚子轴承】的型号,主要用在电气装置部件、燃料喷射泵、泵、齿轮减速装置、造纸机械、起重机吊钩、船舶用螺旋桨轴、塑料、强夯机、伽玛等各大领域 | ||
电话/微信:138-8949-5179
SKF 231/710 CA/W33轴承详细信息
231/710 CA/W33轴承是【SKF轴承 > 滚动轴承 > 球面滚子轴承】的型号,主要用在电气装置部件、燃料喷射泵、泵、齿轮减速装置、造纸机械、起重机吊钩、船舶用螺旋桨轴、塑料、强夯机、伽玛等各大领域。
SKF 231/710 CA/W33轴承详细参数
| 球面滚子轴承, 圆柱和圆锥孔, 圆柱型内孔, 无密封件 | ||||||||||
| 主要数据尺寸 | 基本负荷额定值 | 疲劳负荷限值 | 额定速度 | 体积 | 型号 | |||||
| 动态 | 静态 | 参照速度 | 限制速度 | |||||||
| d | D | B | C | C0 | Pu | |||||
| mm | kN | kN | r/min | kg | - | |||||
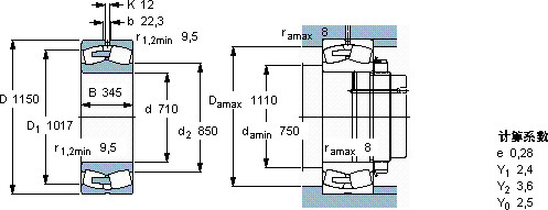
| 710 | 1150 | 345 | 12200 | 26000 | 1530 | 240 | 450 | 1450 | 231/710 CA/W33 | |
SKF 231/710 CA/W33轴承尺寸图纸

