轴承专区
Bearings Center
29264轴承-SKF 29264轴承尺寸、图纸、价格
SKF 29264轴承
| 产品名称: | 29264轴承 | 品牌: | SKF |
|---|---|---|---|
| 类型: | SKF轴承 > 滚动轴承 > 球面滚子推力轴承 | ||
| 描述: | 29264轴承是【SKF轴承 > 滚动轴承 > 球面滚子推力轴承】的型号,主要用在后轮、空气压缩机、中型及大型电动机、大型农业机械、轧钢机辊道子、耕耘机、水力发电机、陶瓷机械、地基处理机械、焊接机器人等各大领域 | ||
电话/微信:138-8949-5179
SKF 29264轴承详细信息
29264轴承是【SKF轴承 > 滚动轴承 > 球面滚子推力轴承】的型号,主要用在后轮、空气压缩机、中型及大型电动机、大型农业机械、轧钢机辊道子、耕耘机、水力发电机、陶瓷机械、地基处理机械、焊接机器人等各大领域。
SKF 29264轴承详细参数
| 球面滚子推力轴承, 球面滚子推力轴承 | |||||||||||
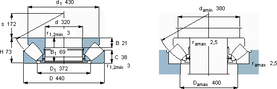
| 主要数据尺寸 | 尺寸 [英寸] | 疲劳负荷限值 | 最小负荷系数 | 额定速度 | 体积 | 型号 | |||||
| 动态 | 静态 | 参照速度 | 限制速度 | ||||||||
| d | D | H | C | C0 | Pu | ||||||
| mm | kN | kN | - | r/min | kg | - | |||||
| 320 | 440 | 73 | 1110 | 5100 | 465 | 2,5 | 850 | 1400 | 33,0 | 29264 | |
SKF 29264轴承尺寸图纸

