轴承专区
Bearings Center
249/750 CA/W33轴承-SKF 249/750 CA/W33轴承尺寸、图纸、价格
SKF 249/750 CA/W33轴承
| 产品名称: | 249/750 CA/W33轴承 | 品牌: | SKF |
|---|---|---|---|
| 类型: | SKF轴承 > 滚动轴承 > 球面滚子轴承 | ||
| 描述: | 249/750 CA/W33轴承是【SKF轴承 > 滚动轴承 > 球面滚子轴承】的型号,主要用在飞机喷气式发动机、空气压缩机、减速装置、大型农业机械、造纸机械、汽车转向销、燃机、烟草机械、土方机械、钢包回转台等各大领域 | ||
电话/微信:138-8949-5179
SKF 249/750 CA/W33轴承详细信息
249/750 CA/W33轴承是【SKF轴承 > 滚动轴承 > 球面滚子轴承】的型号,主要用在飞机喷气式发动机、空气压缩机、减速装置、大型农业机械、造纸机械、汽车转向销、燃机、烟草机械、土方机械、钢包回转台等各大领域。
SKF 249/750 CA/W33轴承详细参数
| 球面滚子轴承, 圆柱和圆锥孔, 圆柱型内孔, 无密封件 | ||||||||||
| 主要数据尺寸 | 基本负荷额定值 | 疲劳负荷限值 | 额定速度 | 体积 | 型号 | |||||
| 动态 | 静态 | 参照速度 | 限制速度 | |||||||
| d | D | B | C | C0 | Pu | |||||
| mm | kN | kN | r/min | kg | - | |||||
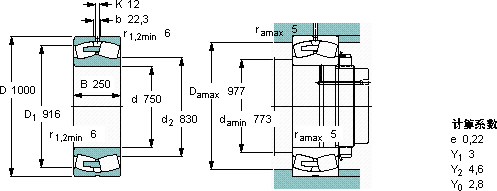
| 750 | 1000 | 250 | 7650 | 18000 | 1100 | 280 | 480 | 560 | 249/750 CA/W33 | |
SKF 249/750 CA/W33轴承尺寸图纸

