轴承专区
Bearings Center
BC3B 326277/HB1轴承-SKF BC3B 326277/HB1轴承尺寸、图纸、价格
SKF BC3B 326277/HB1轴承
| 产品名称: | BC3B 326277/HB1轴承 | 品牌: | SKF |
|---|---|---|---|
| 类型: | SKF轴承 > 滚动轴承 > 多辊式轧钢机支承轴承 | ||
| 描述: | BC3B 326277/HB1轴承是【SKF轴承 > 滚动轴承 > 多辊式轧钢机支承轴承】的型号,主要用在仪表、高频马达、减速装置、前轮、破碎机、机床主轴、碾煤机、精细化工机械、挖掘机、厨具设备等各大领域 | ||
电话/微信:138-8949-5179
SKF BC3B 326277/HB1轴承详细信息
BC3B 326277/HB1轴承是【SKF轴承 > 滚动轴承 > 多辊式轧钢机支承轴承】的型号,主要用在仪表、高频马达、减速装置、前轮、破碎机、机床主轴、碾煤机、精细化工机械、挖掘机、厨具设备等各大领域。
SKF BC3B 326277/HB1轴承详细参数
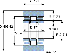
| 用于多辊轧机的背辊轴承, 用于多辊轧机的背辊轴承 | |||||||||||
| 主要数据尺寸 | 基本负荷额定值 | 最大径向负荷 | 体积 | 型号 | |||||||
| 滚子 | |||||||||||
| 动态 | 静态 | 动态 | 静态 | ||||||||
| D | d | B | C | H | C | C0 | Fr | F0r | |||
| mm | kN | kN | kg | - | |||||||
| 406,42 | 180 | 171 | 171 | 113,2 | 1450 | 2400 | 1080 | 1530 | 130 | BC3B 326277/HB1 | |
SKF BC3B 326277/HB1轴承尺寸图纸

