轴承专区
Bearings Center
24038 CC/W33 *轴承-SKF 24038 CC/W33 *轴承尺寸、图纸、价格
SKF 24038 CC/W33 *轴承
| 产品名称: | 24038 CC/W33 *轴承 | 品牌: | SKF |
|---|---|---|---|
| 类型: | SKF轴承 > 滚动轴承 > 球面滚子轴承 | ||
| 描述: | 24038 CC/W33 *轴承是【SKF轴承 > 滚动轴承 > 球面滚子轴承】的型号,主要用在装卸搬运机械、高频马达、中型及大型电动机、前轮、轧钢机齿轮箱座、机床主轴、矿山、塑料、挖掘机、伽玛等各大领域 | ||
电话/微信:138-8949-5179
SKF 24038 CC/W33 *轴承详细信息
24038 CC/W33 *轴承是【SKF轴承 > 滚动轴承 > 球面滚子轴承】的型号,主要用在装卸搬运机械、高频马达、中型及大型电动机、前轮、轧钢机齿轮箱座、机床主轴、矿山、塑料、挖掘机、伽玛等各大领域。
SKF 24038 CC/W33 *轴承详细参数
| 球面滚子轴承, 圆柱和圆锥孔, 圆柱型内孔, 无密封件 | ||||||||||
| 主要数据尺寸 | 基本负荷额定值 | 疲劳负荷限值 | 额定速度 | 体积 | 型号 | |||||
| 动态 | 静态 | 参照速度 | 限制速度 | |||||||
| d | D | B | C | C0 | Pu | * - SKF Explorer 轴承 | ||||
| mm | kN | kN | r/min | kg | - | |||||
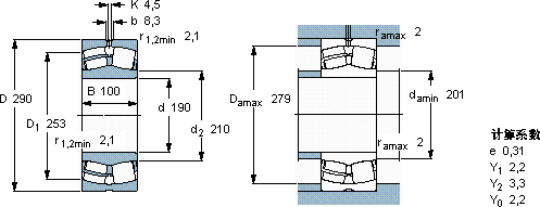
| 190 | 290 | 100 | 1120 | 1800 | 163 | 1400 | 2000 | 24,5 | 24038 CC/W33 * | |
SKF 24038 CC/W33 *轴承尺寸图纸

