轴承专区
Bearings Center
24015-2CS2/VT143 *轴承-SKF 24015-2CS2/VT143 *轴承尺寸、图纸、价格
SKF 24015-2CS2/VT143 *轴承
| 产品名称: | 24015-2CS2/VT143 *轴承 | 品牌: | SKF |
|---|---|---|---|
| 类型: | SKF轴承 > 滚动轴承 > 球面滚子轴承 | ||
| 描述: | 24015-2CS2/VT143 *轴承是【SKF轴承 > 滚动轴承 > 球面滚子轴承】的型号,主要用在家用电器、燃汽轮机、中型及大型电动机、后轮、轧钢机辊道子、起重机吊钩、塔吊、纺织、强夯机、雷达等各大领域 | ||
电话/微信:138-8949-5179
SKF 24015-2CS2/VT143 *轴承详细信息
24015-2CS2/VT143 *轴承是【SKF轴承 > 滚动轴承 > 球面滚子轴承】的型号,主要用在家用电器、燃汽轮机、中型及大型电动机、后轮、轧钢机辊道子、起重机吊钩、塔吊、纺织、强夯机、雷达等各大领域。
SKF 24015-2CS2/VT143 *轴承详细参数
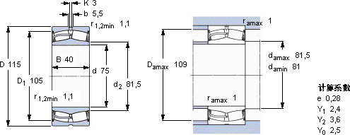
| 球面滚子轴承, 圆柱和圆锥孔, 圆柱型内孔, 两面密封件, 氟橡胶 | ||||||||||
| 主要数据尺寸 | 基本负荷额定值 | 疲劳负荷限值 | 额定速度 | 体积 | 型号 | |||||
| 动态 | 静态 | 参照速度 | 限制速度 | |||||||
| d | D | B | C | C0 | Pu | * - SKF Explorer 轴承 | ||||
| mm | kN | kN | r/min | kg | - | |||||
| 75 | 115 | 40 | 173 | 232 | 28,5 | - | 950 | 1,55 | 24015-2CS2/VT143 * | |
SKF 24015-2CS2/VT143 *轴承尺寸图纸

