李工:138-8949-5179 刘工:135-0428-8802
型号查询
轴承型号   常见搜索: 32313轴承 6906轴承 6014轴承 6309轴承 6214轴承 6032轴承
型号查询 X

轴承专区

Bearings Center

23956 CCK/W33 + OH 3956 H *轴承-SKF 23956 CCK/W33 + OH 3956 H *轴承尺寸、图纸、价格

SKF 23956 CCK/W33 + OH 3956 H *轴承

产品名称:23956 CCK/W33 + OH 3956 H *轴承 品牌:SKF
类型:SKF轴承 > 滚动轴承 > 球面滚子轴承
描述:23956 CCK/W33 + OH 3956 H *轴承是【SKF轴承 > 滚动轴承 > 球面滚子轴承】的型号,主要用在农业机械、小型汽车前轮、变速器、差速器、振动筛、耕耘机、钢铁厂、洗染、地基处理机械、机场加油机等各大领域

 电话/微信:138-8949-5179

SKF 23956 CCK/W33 + OH 3956 H *轴承详细信息

23956 CCK/W33 + OH 3956 H *轴承是【SKF轴承 > 滚动轴承 > 球面滚子轴承】的型号,主要用在农业机械、小型汽车前轮、变速器、差速器、振动筛、耕耘机、钢铁厂、洗染、地基处理机械、机场加油机等各大领域。

SKF 23956 CCK/W33 + OH 3956 H *轴承详细参数

球面滚子轴承, 带紧定套的
主要数据尺寸基本负荷额定值疲劳负荷限值额定速度体积型号
动态静态参照速度限制速度轴承 + 紧定套
d1DBCC0Pu
* - SKF Explorer 轴承
mmkNkNr/minkg-
2603807584517601431400170040,023956 CCK/W33 + OH 3956 H *

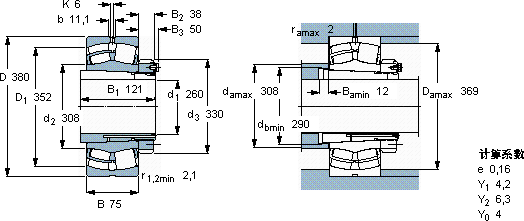
SKF 23956 CCK/W33 + OH 3956 H *轴承尺寸图纸

李工:138-8949-5179

刘工:135-0428-8802

地址:辽宁省大连经济技术开发区现代城3栋-13-13号

在线客服系统