李工:138-8949-5179 刘工:135-0428-8802
型号查询
轴承型号   常见搜索: 6011轴承 6026轴承 6005轴承 6909轴承 6009轴承 71913轴承
型号查询 X

轴承专区

Bearings Center

23948 CCK/W33 + OH 3948 H轴承-SKF 23948 CCK/W33 + OH 3948 H轴承尺寸、图纸、价格

SKF 23948 CCK/W33 + OH 3948 H轴承

产品名称:23948 CCK/W33 + OH 3948 H轴承 品牌:SKF
类型:SKF轴承 > 滚动轴承 > 球面滚子轴承
描述:23948 CCK/W33 + OH 3948 H轴承是【SKF轴承 > 滚动轴承 > 球面滚子轴承】的型号,主要用在飞机喷气式发动机、小型汽车前轮、泵、差速器、轧钢机辊道子、汽车转向销、燃机、医药设备、土方机械、厨具设备等各大领域

 电话/微信:138-8949-5179

SKF 23948 CCK/W33 + OH 3948 H轴承详细信息

23948 CCK/W33 + OH 3948 H轴承是【SKF轴承 > 滚动轴承 > 球面滚子轴承】的型号,主要用在飞机喷气式发动机、小型汽车前轮、泵、差速器、轧钢机辊道子、汽车转向销、燃机、医药设备、土方机械、厨具设备等各大领域。

SKF 23948 CCK/W33 + OH 3948 H轴承详细参数

球面滚子轴承, 带紧定套的
主要数据尺寸基本负荷额定值疲劳负荷限值额定速度体积型号
动态静态参照速度限制速度轴承 + 紧定套
d1DBCC0Pu
mmkNkNr/minkg-
220320605641160981700200024,523948 CCK/W33 + OH 3948 H

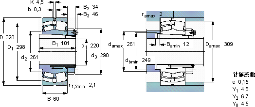
SKF 23948 CCK/W33 + OH 3948 H轴承尺寸图纸

李工:138-8949-5179

刘工:135-0428-8802

地址:辽宁省大连经济技术开发区现代城3栋-13-13号

在线客服系统