李工:138-8949-5179 刘工:135-0428-8802
型号查询
轴承型号   常见搜索: 32313轴承 6906轴承 71913轴承 22222轴承 6019轴承 6205轴承
型号查询 X

轴承专区

Bearings Center

23944 CCK/W33 + OH 3944 H轴承-SKF 23944 CCK/W33 + OH 3944 H轴承尺寸、图纸、价格

SKF 23944 CCK/W33 + OH 3944 H轴承

产品名称:23944 CCK/W33 + OH 3944 H轴承 品牌:SKF
类型:SKF轴承 > 滚动轴承 > 球面滚子轴承
描述:23944 CCK/W33 + OH 3944 H轴承是【SKF轴承 > 滚动轴承 > 球面滚子轴承】的型号,主要用在内燃机、燃料喷射泵、中型及大型电动机、齿轮减速装置、木工机械、石油钻机、挤压机、纺织、给料机械、码垛机器人等各大领域

 电话/微信:138-8949-5179

SKF 23944 CCK/W33 + OH 3944 H轴承详细信息

23944 CCK/W33 + OH 3944 H轴承是【SKF轴承 > 滚动轴承 > 球面滚子轴承】的型号,主要用在内燃机、燃料喷射泵、中型及大型电动机、齿轮减速装置、木工机械、石油钻机、挤压机、纺织、给料机械、码垛机器人等各大领域。

SKF 23944 CCK/W33 + OH 3944 H轴承详细参数

球面滚子轴承, 带紧定套的
主要数据尺寸基本负荷额定值疲劳负荷限值额定速度体积型号
动态静态参照速度限制速度轴承 + 紧定套
d1DBCC0Pu
mmkNkNr/minkg-
200300605461080931900220022,523944 CCK/W33 + OH 3944 H

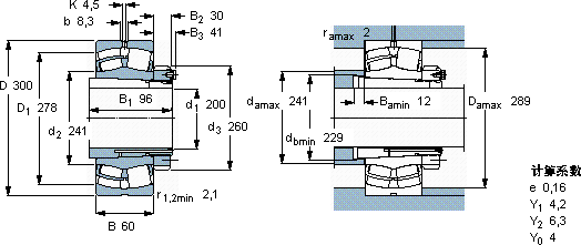
SKF 23944 CCK/W33 + OH 3944 H轴承尺寸图纸

李工:138-8949-5179

刘工:135-0428-8802

地址:辽宁省大连经济技术开发区现代城3栋-13-13号

在线客服系统