轴承专区
Bearings Center
23224 CCK/W33 + AHX 3224 G *轴承-SKF 23224 CCK/W33 + AHX 3224 G *轴承尺寸、图纸、价格
SKF 23224 CCK/W33 + AHX 3224 G *轴承
| 产品名称: | 23224 CCK/W33 + AHX 3224 G *轴承 | 品牌: | SKF |
|---|---|---|---|
| 类型: | SKF轴承 > 滚动轴承 > 球面滚子轴承 | ||
| 描述: | 23224 CCK/W33 + AHX 3224 G *轴承是【SKF轴承 > 滚动轴承 > 球面滚子轴承】的型号,主要用在家用电器、空气压缩机、压缩机、大型农业机械、轧钢机辊道子、汽车转向销、塔吊、玩具、土方机械、雷达等各大领域 | ||
电话/微信:138-8949-5179
SKF 23224 CCK/W33 + AHX 3224 G *轴承详细信息
23224 CCK/W33 + AHX 3224 G *轴承是【SKF轴承 > 滚动轴承 > 球面滚子轴承】的型号,主要用在家用电器、空气压缩机、压缩机、大型农业机械、轧钢机辊道子、汽车转向销、塔吊、玩具、土方机械、雷达等各大领域。
SKF 23224 CCK/W33 + AHX 3224 G *轴承详细参数
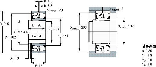
| 球面滚子轴承, 带退卸套的 | ||||||||||
| 主要数据尺寸 | 基本负荷额定值 | 疲劳负荷限值 | 额定速度 | 体积 | 型号 | |||||
| 动态 | 静态 | 参照速度 | 限制速度 | 轴承 +退卸套 | ||||||
| d1 | D | B | C | C0 | Pu | |||||
| * - SKF Explorer 轴承 | ||||||||||
| mm | kN | kN | r/min | kg | - | |||||
| 115 | 215 | 76 | 695 | 930 | 93 | 2000 | 2800 | 13,0 | 23224 CCK/W33 + AHX 3224 G * | |
SKF 23224 CCK/W33 + AHX 3224 G *轴承尺寸图纸

