轴承专区
Bearings Center
16040轴承-SKF 16040轴承尺寸、图纸、价格
SKF 16040轴承
| 产品名称: | 16040轴承 | 品牌: | SKF |
|---|---|---|---|
| 类型: | SKF轴承 > 滚动轴承 > 深沟球轴承 | ||
| 描述: | 16040轴承是【SKF轴承 > 滚动轴承 > 深沟球轴承】的型号,主要用在装卸搬运机械、差速器小齿轮轴、泵、小齿轮轴、轧钢机齿轮箱座、机床等的变速装置、矿山、钟表、工程船舶、风力发电设备等各大领域 | ||
电话/微信:138-8949-5179
SKF 16040轴承详细信息
16040轴承是【SKF轴承 > 滚动轴承 > 深沟球轴承】的型号,主要用在装卸搬运机械、差速器小齿轮轴、泵、小齿轮轴、轧钢机齿轮箱座、机床等的变速装置、矿山、钟表、工程船舶、风力发电设备等各大领域。
SKF 16040轴承详细参数
| 深沟球轴承, 单列, 无密封件 | |||||||||||
| 主要数据尺寸 | 基本负荷额定值 | 疲劳负荷限值 | 额定速度 | 体积 | 型号 | ||||||
| 动态 | 静态 | 参照速度 | 限制速度 | ||||||||
| d | D | B | C | C0 | Pu | ||||||
| mm | kN | kN | r/min | kg | - | ||||||
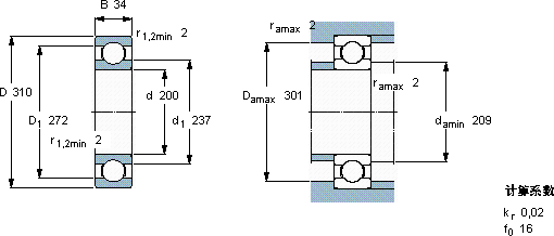
| 200 | 310 | 34 | 168 | 190 | 5,1 | 4300 | 2800 | 8,85 | 16040 | ||
SKF 16040轴承尺寸图纸

