轴承专区
Bearings Center
232/750 CAKF/W33 + OH 32/750 H轴承-SKF 232/750 CAKF/W33 + OH 32/750 H轴承尺寸、图纸、价格
SKF 232/750 CAKF/W33 + OH 32/750 H轴承
| 产品名称: | 232/750 CAKF/W33 + OH 32/750 H轴承 | 品牌: | SKF |
|---|---|---|---|
| 类型: | SKF轴承 > 滚动轴承 > 球面滚子轴承 | ||
| 描述: | 232/750 CAKF/W33 + OH 32/750 H轴承是【SKF轴承 > 滚动轴承 > 球面滚子轴承】的型号,主要用在内燃机、机床主轴、挖土机履带轮、汽车、振动筛、耕耘机、挤压机、玩具、地基处理机械、抓钢机等各大领域 | ||
电话/微信:138-8949-5179
SKF 232/750 CAKF/W33 + OH 32/750 H轴承详细信息
232/750 CAKF/W33 + OH 32/750 H轴承是【SKF轴承 > 滚动轴承 > 球面滚子轴承】的型号,主要用在内燃机、机床主轴、挖土机履带轮、汽车、振动筛、耕耘机、挤压机、玩具、地基处理机械、抓钢机等各大领域。
SKF 232/750 CAKF/W33 + OH 32/750 H轴承详细参数
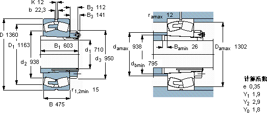
| 球面滚子轴承, 带紧定套的 | ||||||||||
| 主要数据尺寸 | 基本负荷额定值 | 疲劳负荷限值 | 额定速度 | 体积 | 型号 | |||||
| 动态 | 静态 | 参照速度 | 限制速度 | 轴承 + 紧定套 | ||||||
| d1 | D | B | C | C0 | Pu | |||||
| mm | kN | kN | r/min | kg | - | |||||
| 710 | 1360 | 475 | 18700 | 36500 | 2120 | 190 | 300 | 3485 | 232/750 CAKF/W33 + OH 32/750 H | |
SKF 232/750 CAKF/W33 + OH 32/750 H轴承尺寸图纸

