轴承专区
Bearings Center
62212-2RS1轴承-SKF 62212-2RS1轴承尺寸、图纸、价格
SKF 62212-2RS1轴承
| 产品名称: | 62212-2RS1轴承 | 品牌: | SKF |
|---|---|---|---|
| 类型: | SKF轴承 > 滚动轴承 > 深沟球轴承 | ||
| 描述: | 62212-2RS1轴承是【SKF轴承 > 滚动轴承 > 深沟球轴承】的型号,主要用在建筑机械、罗茨鼓风机、提升机、建筑机械、轧钢机齿轮箱座、石油钻机转环、成形机、塑料、凿岩机械、泥炮等各大领域 | ||
电话/微信:138-8949-5179
SKF 62212-2RS1轴承详细信息
62212-2RS1轴承是【SKF轴承 > 滚动轴承 > 深沟球轴承】的型号,主要用在建筑机械、罗茨鼓风机、提升机、建筑机械、轧钢机齿轮箱座、石油钻机转环、成形机、塑料、凿岩机械、泥炮等各大领域。
SKF 62212-2RS1轴承详细参数
| 深沟球轴承, 单列, 两面密封件 | |||||||||||
| 主要数据尺寸 | 基本负荷额定值 | 疲劳负荷限值 | 额定速度 | 体积 | 型号 | ||||||
| 动态 | 静态 | 参照速度 | 限制速度 | ||||||||
| d | D | B | C | C0 | Pu | ||||||
| mm | kN | kN | r/min | kg | - | ||||||
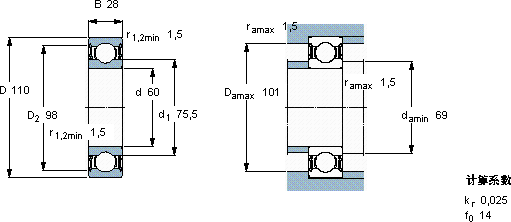
| 60 | 110 | 28 | 52,7 | 36 | 1,53 | - | 4000 | 0,97 | 62212-2RS1 | ||
SKF 62212-2RS1轴承尺寸图纸

