轴承专区
Bearings Center
231/1000 CAF/W33轴承-SKF 231/1000 CAF/W33轴承尺寸、图纸、价格
SKF 231/1000 CAF/W33轴承
| 产品名称: | 231/1000 CAF/W33轴承 | 品牌: | SKF |
|---|---|---|---|
| 类型: | SKF轴承 > 滚动轴承 > 球面滚子轴承 | ||
| 描述: | 231/1000 CAF/W33轴承是【SKF轴承 > 滚动轴承 > 球面滚子轴承】的型号,主要用在农业机械、小型汽车前轮、泵、差速器、木工机械、耕耘机、钢铁厂、烟草机械、平地机、机场加油机等各大领域 | ||
电话/微信:138-8949-5179
SKF 231/1000 CAF/W33轴承详细信息
231/1000 CAF/W33轴承是【SKF轴承 > 滚动轴承 > 球面滚子轴承】的型号,主要用在农业机械、小型汽车前轮、泵、差速器、木工机械、耕耘机、钢铁厂、烟草机械、平地机、机场加油机等各大领域。
SKF 231/1000 CAF/W33轴承详细参数
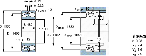
| 球面滚子轴承, 圆柱和圆锥孔, 圆柱型内孔, 无密封件 | ||||||||||
| 主要数据尺寸 | 基本负荷额定值 | 疲劳负荷限值 | 额定速度 | 体积 | 型号 | |||||
| 动态 | 静态 | 参照速度 | 限制速度 | |||||||
| d | D | B | C | C0 | Pu | |||||
| mm | kN | kN | r/min | kg | - | |||||
| 1000 | 1580 | 462 | 21400 | 48000 | 2550 | 140 | 280 | 3500 | 231/1000 CAF/W33 | |
SKF 231/1000 CAF/W33轴承尺寸图纸

