李工:138-8949-5179 刘工:135-0428-8802
型号查询
轴承型号   常见搜索: 6002轴承 6016轴承 71913轴承 6020轴承 6003轴承 6017轴承
型号查询 X

轴承专区

Bearings Center

2307 KM+ H 2307轴承-SKF 2307 KM+ H 2307轴承尺寸、图纸、价格

SKF 2307 KM+ H 2307轴承

产品名称:2307 KM+ H 2307轴承 品牌:SKF
类型:SKF轴承 > 滚动轴承 > 自调心球轴承
描述:2307 KM+ H 2307轴承是【SKF轴承 > 滚动轴承 > 自调心球轴承】的型号,主要用在铁路车辆、空气压缩机、木工机械、大型农业机械、振动筛、汽车转向销、冶炼厂、钟表、掘进机、吹氧装置等各大领域

 电话/微信:138-8949-5179

SKF 2307 KM+ H 2307轴承详细信息

2307 KM+ H 2307轴承是【SKF轴承 > 滚动轴承 > 自调心球轴承】的型号,主要用在铁路车辆、空气压缩机、木工机械、大型农业机械、振动筛、汽车转向销、冶炼厂、钟表、掘进机、吹氧装置等各大领域。

SKF 2307 KM+ H 2307轴承详细参数

自调心球轴承, 带紧定套, 无密封件
主要数据尺寸基本负荷额定值疲劳负荷限值额定速度体积型号
动态静态参照速度限制速度轴承 + 紧定套
d1DBCC0Pu
mmkNkNr/minkg-
30803139,711,20,5916000120000,842307 KM+ H 2307

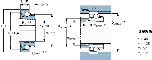
SKF 2307 KM+ H 2307轴承尺寸图纸

李工:138-8949-5179

刘工:135-0428-8802

地址:辽宁省大连经济技术开发区现代城3栋-13-13号

在线客服系统