轴承专区
Bearings Center
23026 CCK/W33 + AHX 3026 *轴承-SKF 23026 CCK/W33 + AHX 3026 *轴承尺寸、图纸、价格
SKF 23026 CCK/W33 + AHX 3026 *轴承
| 产品名称: | 23026 CCK/W33 + AHX 3026 *轴承 | 品牌: | SKF |
|---|---|---|---|
| 类型: | SKF轴承 > 滚动轴承 > 球面滚子轴承 | ||
| 描述: | 23026 CCK/W33 + AHX 3026 *轴承是【SKF轴承 > 滚动轴承 > 球面滚子轴承】的型号,主要用在内燃机、燃料喷射泵、纺织机械传动轴、齿轮减速装置、振动筛、石油钻机、挤压机、电子、解体机、码垛机器人等各大领域 | ||
电话/微信:138-8949-5179
SKF 23026 CCK/W33 + AHX 3026 *轴承详细信息
23026 CCK/W33 + AHX 3026 *轴承是【SKF轴承 > 滚动轴承 > 球面滚子轴承】的型号,主要用在内燃机、燃料喷射泵、纺织机械传动轴、齿轮减速装置、振动筛、石油钻机、挤压机、电子、解体机、码垛机器人等各大领域。
SKF 23026 CCK/W33 + AHX 3026 *轴承详细参数
| 球面滚子轴承, 带退卸套的 | ||||||||||
| 主要数据尺寸 | 基本负荷额定值 | 疲劳负荷限值 | 额定速度 | 体积 | 型号 | |||||
| 动态 | 静态 | 参照速度 | 限制速度 | 轴承 +退卸套 | ||||||
| d1 | D | B | C | C0 | Pu | |||||
| * - SKF Explorer 轴承 | ||||||||||
| mm | kN | kN | r/min | kg | - | |||||
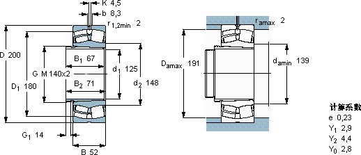
| 125 | 200 | 52 | 430 | 610 | 62 | 2800 | 3600 | 6,75 | 23026 CCK/W33 + AHX 3026 * | |
SKF 23026 CCK/W33 + AHX 3026 *轴承尺寸图纸

