轴承专区
Bearings Center
230/900 CAK/W33 + OH 30/900 H轴承-SKF 230/900 CAK/W33 + OH 30/900 H轴承尺寸、图纸、价格
SKF 230/900 CAK/W33 + OH 30/900 H轴承
| 产品名称: | 230/900 CAK/W33 + OH 30/900 H轴承 | 品牌: | SKF |
|---|---|---|---|
| 类型: | SKF轴承 > 滚动轴承 > 球面滚子轴承 | ||
| 描述: | 230/900 CAK/W33 + OH 30/900 H轴承是【SKF轴承 > 滚动轴承 > 球面滚子轴承】的型号,主要用在后轮、空气压缩机、燃汽轮机、大型农业机械、轧钢机辊道子、耕耘机、水力发电机、啤酒、平地机、焊接机器人等各大领域 | ||
电话/微信:138-8949-5179
SKF 230/900 CAK/W33 + OH 30/900 H轴承详细信息
230/900 CAK/W33 + OH 30/900 H轴承是【SKF轴承 > 滚动轴承 > 球面滚子轴承】的型号,主要用在后轮、空气压缩机、燃汽轮机、大型农业机械、轧钢机辊道子、耕耘机、水力发电机、啤酒、平地机、焊接机器人等各大领域。
SKF 230/900 CAK/W33 + OH 30/900 H轴承详细参数
| 球面滚子轴承, 带紧定套的 | ||||||||||
| 主要数据尺寸 | 基本负荷额定值 | 疲劳负荷限值 | 额定速度 | 体积 | 型号 | |||||
| 动态 | 静态 | 参照速度 | 限制速度 | 轴承 + 紧定套 | ||||||
| d1 | D | B | C | C0 | Pu | |||||
| mm | kN | kN | r/min | kg | - | |||||
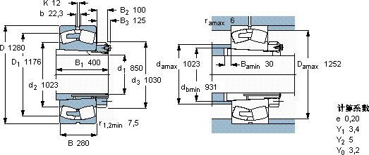
| 850 | 1280 | 280 | 10100 | 23200 | 1340 | 220 | 400 | 1580 | 230/900 CAK/W33 + OH 30/900 H | |
SKF 230/900 CAK/W33 + OH 30/900 H轴承尺寸图纸

