轴承专区
Bearings Center
22332 CCK/W33 + H 2332 *轴承-SKF 22332 CCK/W33 + H 2332 *轴承尺寸、图纸、价格
SKF 22332 CCK/W33 + H 2332 *轴承
| 产品名称: | 22332 CCK/W33 + H 2332 *轴承 | 品牌: | SKF |
|---|---|---|---|
| 类型: | SKF轴承 > 滚动轴承 > 球面滚子轴承 | ||
| 描述: | 22332 CCK/W33 + H 2332 *轴承是【SKF轴承 > 滚动轴承 > 球面滚子轴承】的型号,主要用在农业机械、燃料喷射泵、燃汽轮机、齿轮减速装置、轧钢机辊道子、石油钻机、钢铁厂、塑料、解体机、机场加油机等各大领域 | ||
电话/微信:138-8949-5179
SKF 22332 CCK/W33 + H 2332 *轴承详细信息
22332 CCK/W33 + H 2332 *轴承是【SKF轴承 > 滚动轴承 > 球面滚子轴承】的型号,主要用在农业机械、燃料喷射泵、燃汽轮机、齿轮减速装置、轧钢机辊道子、石油钻机、钢铁厂、塑料、解体机、机场加油机等各大领域。
SKF 22332 CCK/W33 + H 2332 *轴承详细参数
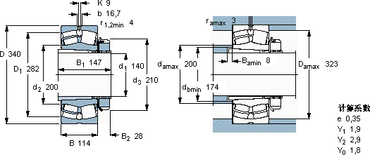
| 球面滚子轴承, 带紧定套的 | ||||||||||
| 主要数据尺寸 | 基本负荷额定值 | 疲劳负荷限值 | 额定速度 | 体积 | 型号 | |||||
| 动态 | 静态 | 参照速度 | 限制速度 | 轴承 + 紧定套 | ||||||
| d1 | D | B | C | C0 | Pu | |||||
| * - SKF Explorer 轴承 | ||||||||||
| mm | kN | kN | r/min | kg | - | |||||
| 140 | 340 | 114 | 1600 | 1960 | 160 | 1500 | 1900 | 60,0 | 22332 CCK/W33 + H 2332 * | |
SKF 22332 CCK/W33 + H 2332 *轴承尺寸图纸

