轴承专区
Bearings Center
22315 EK + H 2315 *轴承-SKF 22315 EK + H 2315 *轴承尺寸、图纸、价格
SKF 22315 EK + H 2315 *轴承
| 产品名称: | 22315 EK + H 2315 *轴承 | 品牌: | SKF |
|---|---|---|---|
| 类型: | SKF轴承 > 滚动轴承 > 球面滚子轴承 | ||
| 描述: | 22315 EK + H 2315 *轴承是【SKF轴承 > 滚动轴承 > 球面滚子轴承】的型号,主要用在家用电器、燃料喷射泵、泵、齿轮减速装置、振动筛、石油钻机、塔吊、玩具、解体机、冶金起重机等各大领域 | ||
电话/微信:138-8949-5179
SKF 22315 EK + H 2315 *轴承详细信息
22315 EK + H 2315 *轴承是【SKF轴承 > 滚动轴承 > 球面滚子轴承】的型号,主要用在家用电器、燃料喷射泵、泵、齿轮减速装置、振动筛、石油钻机、塔吊、玩具、解体机、冶金起重机等各大领域。
SKF 22315 EK + H 2315 *轴承详细参数
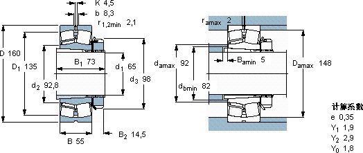
| 球面滚子轴承, 带紧定套的 | ||||||||||
| 主要数据尺寸 | 基本负荷额定值 | 疲劳负荷限值 | 额定速度 | 体积 | 型号 | |||||
| 动态 | 静态 | 参照速度 | 限制速度 | 轴承 + 紧定套 | ||||||
| d1 | D | B | C | C0 | Pu | |||||
| * - SKF Explorer 轴承 | ||||||||||
| mm | kN | kN | r/min | kg | - | |||||
| 65 | 160 | 55 | 440 | 475 | 48 | 3200 | 4300 | 6,50 | 22315 EK + H 2315 * | |
SKF 22315 EK + H 2315 *轴承尺寸图纸

