轴承专区
Bearings Center
2215 EKTN9 + H 315轴承-SKF 2215 EKTN9 + H 315轴承尺寸、图纸、价格
SKF 2215 EKTN9 + H 315轴承
| 产品名称: | 2215 EKTN9 + H 315轴承 | 品牌: | SKF |
|---|---|---|---|
| 类型: | SKF轴承 > 滚动轴承 > 自调心球轴承 | ||
| 描述: | 2215 EKTN9 + H 315轴承是【SKF轴承 > 滚动轴承 > 自调心球轴承】的型号,主要用在飞机喷气式发动机、小型汽车前轮、汽车发动机、差速器、木工机械、汽车转向销、燃机、薄膜拉伸、掘进机、厨具设备等各大领域 | ||
电话/微信:138-8949-5179
SKF 2215 EKTN9 + H 315轴承详细信息
2215 EKTN9 + H 315轴承是【SKF轴承 > 滚动轴承 > 自调心球轴承】的型号,主要用在飞机喷气式发动机、小型汽车前轮、汽车发动机、差速器、木工机械、汽车转向销、燃机、薄膜拉伸、掘进机、厨具设备等各大领域。
SKF 2215 EKTN9 + H 315轴承详细参数
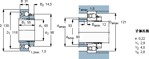
| 自调心球轴承, 带紧定套, 无密封件 | ||||||||||
| 主要数据尺寸 | 基本负荷额定值 | 疲劳负荷限值 | 额定速度 | 体积 | 型号 | |||||
| 动态 | 静态 | 参照速度 | 限制速度 | 轴承 + 紧定套 | ||||||
| d1 | D | B | C | C0 | Pu | |||||
| mm | kN | kN | r/min | kg | - | |||||
| 65 | 130 | 31 | 58,5 | 22 | 1,12 | 9000 | 6300 | 2,30 | 2215 EKTN9 + H 315 | |
SKF 2215 EKTN9 + H 315轴承尺寸图纸

