轴承专区
Bearings Center
2212 E-2RS1 KTN9 + H 312 C轴承-SKF 2212 E-2RS1 KTN9 + H 312 C轴承尺寸、图纸、价格
SKF 2212 E-2RS1 KTN9 + H 312 C轴承
| 产品名称: | 2212 E-2RS1 KTN9 + H 312 C轴承 | 品牌: | SKF |
|---|---|---|---|
| 类型: | SKF轴承 > 滚动轴承 > 自调心球轴承 | ||
| 描述: | 2212 E-2RS1 KTN9 + H 312 C轴承是【SKF轴承 > 滚动轴承 > 自调心球轴承】的型号,主要用在电气装置部件、油泵、挖土机履带轮、机床主轴、木工机械、起重机吊钩、船舶用螺旋桨轴、制鞋、专用车、摩天轮等各大领域 | ||
电话/微信:138-8949-5179
SKF 2212 E-2RS1 KTN9 + H 312 C轴承详细信息
2212 E-2RS1 KTN9 + H 312 C轴承是【SKF轴承 > 滚动轴承 > 自调心球轴承】的型号,主要用在电气装置部件、油泵、挖土机履带轮、机床主轴、木工机械、起重机吊钩、船舶用螺旋桨轴、制鞋、专用车、摩天轮等各大领域。
SKF 2212 E-2RS1 KTN9 + H 312 C轴承详细参数
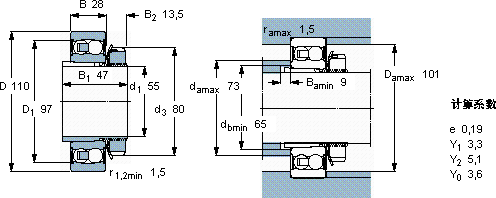
| 自调心球轴承, 带紧定套, 两面密封件 | ||||||||||
| 主要数据尺寸 | 基本负荷额定值 | 疲劳负荷限值 | 额定速度 | 体积 | 型号 | |||||
| 动态 | 静态 | 参照速度 | 限制速度 | 轴承 + 紧定套 | ||||||
| d1 | D | B | C | C0 | Pu | |||||
| mm | kN | kN | r/min | kg | - | |||||
| 55 | 110 | 28 | 31,2 | 12,2 | 0,62 | - | 3800 | 1,40 | 2212 E-2RS1 KTN9 + H 312 C | |
SKF 2212 E-2RS1 KTN9 + H 312 C轴承尺寸图纸

