轴承专区
Bearings Center
21307 CCK + H 307轴承-SKF 21307 CCK + H 307轴承尺寸、图纸、价格
SKF 21307 CCK + H 307轴承
| 产品名称: | 21307 CCK + H 307轴承 | 品牌: | SKF |
|---|---|---|---|
| 类型: | SKF轴承 > 滚动轴承 > 球面滚子轴承 | ||
| 描述: | 21307 CCK + H 307轴承是【SKF轴承 > 滚动轴承 > 球面滚子轴承】的型号,主要用在铁路车辆、燃料喷射泵、提升机、齿轮减速装置、铁路车辆车轴、石油钻机、冶炼厂、医药设备、给料机械、正面吊等各大领域 | ||
电话/微信:138-8949-5179
SKF 21307 CCK + H 307轴承详细信息
21307 CCK + H 307轴承是【SKF轴承 > 滚动轴承 > 球面滚子轴承】的型号,主要用在铁路车辆、燃料喷射泵、提升机、齿轮减速装置、铁路车辆车轴、石油钻机、冶炼厂、医药设备、给料机械、正面吊等各大领域。
SKF 21307 CCK + H 307轴承详细参数
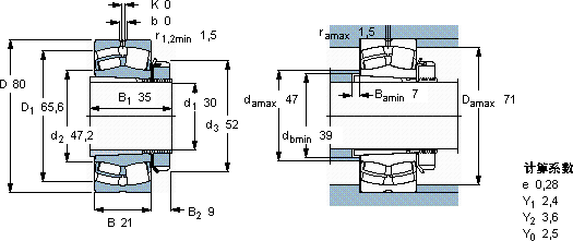
| 球面滚子轴承, 带紧定套的 | ||||||||||
| 主要数据尺寸 | 基本负荷额定值 | 疲劳负荷限值 | 额定速度 | 体积 | 型号 | |||||
| 动态 | 静态 | 参照速度 | 限制速度 | 轴承 + 紧定套 | ||||||
| d1 | D | B | C | C0 | Pu | |||||
| mm | kN | kN | r/min | kg | - | |||||
| 30 | 80 | 21 | 65,6 | 72 | 8,15 | 6700 | 9500 | 0,69 | 21307 CCK + H 307 | |
SKF 21307 CCK + H 307轴承尺寸图纸

