李工:138-8949-5179 刘工:135-0428-8802
型号查询
轴承型号   常见搜索: 6024轴承 6001轴承 6012轴承 32313轴承 6030轴承 6016轴承
型号查询 X

轴承专区

Bearings Center

HMV 68E轴承-SKF HMV 68E轴承尺寸、图纸、价格

SKF HMV 68E轴承

产品名称:HMV 68E轴承 品牌:SKF
类型:SKF轴承 > 滚动轴承 > 轴承附件
描述:HMV 68E轴承是【SKF轴承 > 滚动轴承 > 轴承附件】的型号,主要用在农业机械、燃料喷射泵、减速装置、齿轮减速装置、振动筛、起重机吊钩、钢铁厂、电子、专用车、机场加油机等各大领域

 电话/微信:138-8949-5179

SKF HMV 68E轴承详细信息

HMV 68E轴承是【SKF轴承 > 滚动轴承 > 轴承附件】的型号,主要用在农业机械、燃料喷射泵、减速装置、齿轮减速装置、振动筛、起重机吊钩、钢铁厂、电子、专用车、机场加油机等各大领域。

SKF HMV 68E轴承详细参数

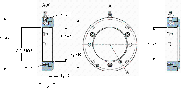
Hydraulic nuts, metric sizes
螺纹尺寸尺寸PermittedPiston area体积型号
piston
Gd1d2d3BB1displacement
mmmm (metric sizes)mmmmmm2 (metric sizes)kg-
in - threads/in (inch sizes)in2 (inch sizes)
340Tr 340x53424304505410142840031,5HMV 68EHMV 68E/A101

SKF HMV 68E轴承尺寸图纸

李工:138-8949-5179

刘工:135-0428-8802

地址:辽宁省大连经济技术开发区现代城3栋-13-13号

在线客服系统