轴承专区
Bearings Center
208 NR轴承-SKF 208 NR轴承尺寸、图纸、价格
SKF 208 NR轴承
| 产品名称: | 208 NR轴承 | 品牌: | SKF |
|---|---|---|---|
| 类型: | SKF轴承 > 滚动轴承 > 深沟球轴承 | ||
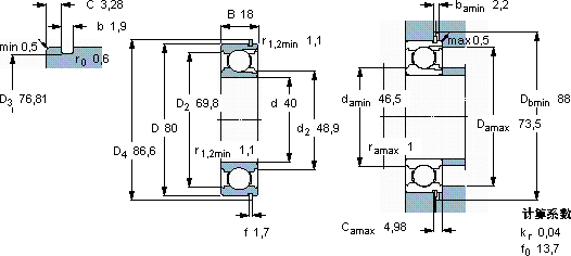
| 描述: | 208 NR轴承是【SKF轴承 > 滚动轴承 > 深沟球轴承】的型号,主要用在后轮、空气压缩机、挖土机履带轮、大型农业机械、木工机械、耕耘机、水力发电机、音像设备、地基处理机械、焊接机器人等各大领域 | ||
电话/微信:138-8949-5179
SKF 208 NR轴承详细信息
208 NR轴承是【SKF轴承 > 滚动轴承 > 深沟球轴承】的型号,主要用在后轮、空气压缩机、挖土机履带轮、大型农业机械、木工机械、耕耘机、水力发电机、音像设备、地基处理机械、焊接机器人等各大领域。
SKF 208 NR轴承详细参数
| 深沟球轴承, 单列,带装球缺口和止动环槽, 无密封件 | |||||||||||
| 主要数据尺寸 | 基本负荷额定值 | 疲劳负荷限值 | 额定速度 | 体积 | 型号 | ||||||
| 动态 | 静态 | 参照速度 | 限制速度 | 轴承,带止动环 | 止动环 | ||||||
| d | D | B | C | C0 | Pu | ||||||
| mm | kN | kN | r/min | kg | - | ||||||
| 40 | 80 | 18 | 33,6 | 26,5 | 1,12 | 15000 | 9500 | 0,39 | 208 NR | SP 80 | |
SKF 208 NR轴承尺寸图纸

