轴承专区
Bearings Center
208-ZNR轴承-SKF 208-ZNR轴承尺寸、图纸、价格
SKF 208-ZNR轴承
| 产品名称: | 208-ZNR轴承 | 品牌: | SKF |
|---|---|---|---|
| 类型: | SKF轴承 > 滚动轴承 > 深沟球轴承 | ||
| 描述: | 208-ZNR轴承是【SKF轴承 > 滚动轴承 > 深沟球轴承】的型号,主要用在电气装置部件、燃料喷射泵、桥式起重机、齿轮减速装置、造纸机械、起重机吊钩、船舶用螺旋桨轴、洗染、专用车、伽玛等各大领域 | ||
电话/微信:138-8949-5179
SKF 208-ZNR轴承详细信息
208-ZNR轴承是【SKF轴承 > 滚动轴承 > 深沟球轴承】的型号,主要用在电气装置部件、燃料喷射泵、桥式起重机、齿轮减速装置、造纸机械、起重机吊钩、船舶用螺旋桨轴、洗染、专用车、伽玛等各大领域。
SKF 208-ZNR轴承详细参数
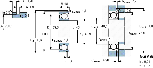
| 深沟球轴承, 单列,带装球缺口和止动环槽, 单面防尘罩 | |||||||||||
| 主要数据尺寸 | 基本负荷额定值 | 疲劳负荷限值 | 额定速度 | 体积 | 型号 | ||||||
| 动态 | 静态 | 参照速度 | 限制速度 | 轴承,带止动环 | 止动环 | ||||||
| d | D | B | C | C0 | Pu | ||||||
| mm | kN | kN | r/min | kg | - | ||||||
| 40 | 80 | 18 | 33,6 | 26,5 | 1,12 | 15000 | 9500 | 0,39 | 208-ZNR | SP 80 | |
SKF 208-ZNR轴承尺寸图纸

