轴承专区
Bearings Center
1212 EKTN9 + H 212轴承-SKF 1212 EKTN9 + H 212轴承尺寸、图纸、价格
SKF 1212 EKTN9 + H 212轴承
| 产品名称: | 1212 EKTN9 + H 212轴承 | 品牌: | SKF |
|---|---|---|---|
| 类型: | SKF轴承 > 滚动轴承 > 自调心球轴承 | ||
| 描述: | 1212 EKTN9 + H 212轴承是【SKF轴承 > 滚动轴承 > 自调心球轴承】的型号,主要用在变速器、差速器小齿轮轴、泵、小齿轮轴、印刷机械、机床等的变速装置、立式电动机、洗染、工程船舶、吹氧装置等各大领域 | ||
电话/微信:138-8949-5179
SKF 1212 EKTN9 + H 212轴承详细信息
1212 EKTN9 + H 212轴承是【SKF轴承 > 滚动轴承 > 自调心球轴承】的型号,主要用在变速器、差速器小齿轮轴、泵、小齿轮轴、印刷机械、机床等的变速装置、立式电动机、洗染、工程船舶、吹氧装置等各大领域。
SKF 1212 EKTN9 + H 212轴承详细参数
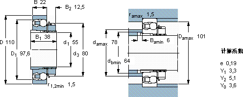
| 自调心球轴承, 带紧定套, 无密封件 | ||||||||||
| 主要数据尺寸 | 基本负荷额定值 | 疲劳负荷限值 | 额定速度 | 体积 | 型号 | |||||
| 动态 | 静态 | 参照速度 | 限制速度 | 轴承 + 紧定套 | ||||||
| d1 | D | B | C | C0 | Pu | |||||
| mm | kN | kN | r/min | kg | - | |||||
| 55 | 110 | 22 | 31,2 | 12,2 | 0,62 | 12000 | 8500 | 1,20 | 1212 EKTN9 + H 212 | |
SKF 1212 EKTN9 + H 212轴承尺寸图纸

