轴承专区
Bearings Center
1208 EKTN9 + H 208轴承-SKF 1208 EKTN9 + H 208轴承尺寸、图纸、价格
SKF 1208 EKTN9 + H 208轴承
| 产品名称: | 1208 EKTN9 + H 208轴承 | 品牌: | SKF |
|---|---|---|---|
| 类型: | SKF轴承 > 滚动轴承 > 自调心球轴承 | ||
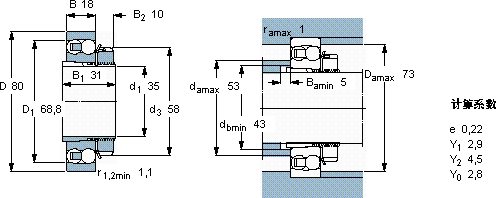
| 描述: | 1208 EKTN9 + H 208轴承是【SKF轴承 > 滚动轴承 > 自调心球轴承】的型号,主要用在装卸搬运机械、各类变速器、纺织机械传动轴、铁路车辆、印刷机械、机床主轴、矿山、电子、混凝土机械、摩天轮等各大领域 | ||
电话/微信:138-8949-5179
SKF 1208 EKTN9 + H 208轴承详细信息
1208 EKTN9 + H 208轴承是【SKF轴承 > 滚动轴承 > 自调心球轴承】的型号,主要用在装卸搬运机械、各类变速器、纺织机械传动轴、铁路车辆、印刷机械、机床主轴、矿山、电子、混凝土机械、摩天轮等各大领域。
SKF 1208 EKTN9 + H 208轴承详细参数
| 自调心球轴承, 带紧定套, 无密封件 | ||||||||||
| 主要数据尺寸 | 基本负荷额定值 | 疲劳负荷限值 | 额定速度 | 体积 | 型号 | |||||
| 动态 | 静态 | 参照速度 | 限制速度 | 轴承 + 紧定套 | ||||||
| d1 | D | B | C | C0 | Pu | |||||
| mm | kN | kN | r/min | kg | - | |||||
| 35 | 80 | 18 | 19,9 | 6,95 | 0,36 | 18000 | 11000 | 0,58 | 1208 EKTN9 + H 208 | |
SKF 1208 EKTN9 + H 208轴承尺寸图纸

