轴承专区
Bearings Center
SC559ZZN轴承-NTN SC559ZZN轴承尺寸、图纸、价格
NTN SC559ZZN轴承
| 产品名称: | SC559ZZN轴承 | 品牌: | NTN |
|---|---|---|---|
| 类型: | NTN轴承 > 微型轴承 > 小型及微型轴承(公制) | ||
| 描述: | SC559ZZN轴承是【NTN轴承 > 微型轴承 > 小型及微型轴承(公制)】的型号,主要用在建筑机械、离心分离机、提升机、变速器、各类产业用减速机、制铁制钢机械、成形机、钟表、堆取料机、港口起重机等各大领域 | ||
电话/微信:138-8949-5179
NTN SC559ZZN轴承详细信息
SC559ZZN轴承是【NTN轴承 > 微型轴承 > 小型及微型轴承(公制)】的型号,主要用在建筑机械、离心分离机、提升机、变速器、各类产业用减速机、制铁制钢机械、成形机、钟表、堆取料机、港口起重机等各大领域。
NTN SC559ZZN轴承详细参数
| 型号 | SC559ZZN |
| 产品 | SC559ZZN |
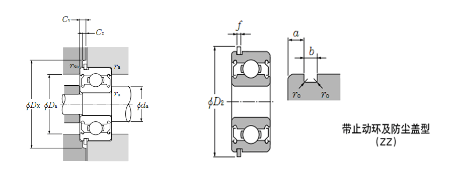
| 备注 | 带止动槽及防尘盖 |
| d | 5 |
| D | 13 |
| B | 4 |
| rs(min) | 0.2 |
| rNa(min) | 0.1 |
| Cr | 1080 |
| C0r | 430 |
| Cr | 110 |
| C0r | 44 |
| f0 | 13.4 |
| grease | 40000 |
| oil | 47000 |
| D1 | 12.15 |
| a | 0.88 |
| b | 0.55 |
| ro | 0.2 |
| D2 | 15.2 |
| f | 0.55 |
| kg | 0.002 |
NTN SC559ZZN轴承尺寸图纸

