轴承专区
Bearings Center
6026N轴承-NTN 6026N轴承尺寸、图纸、价格
NTN 6026N轴承
| 产品名称: | 6026N轴承 | 品牌: | NTN |
|---|---|---|---|
| 类型: | NTN轴承 > 深沟球轴承 > 深沟球轴承 | ||
| 描述: | 6026N轴承是【NTN轴承 > 深沟球轴承 > 深沟球轴承】的型号,主要用在家用电器、燃汽轮机、中型及大型电动机、后轮、轧钢机辊道子、起重机吊钩、塔吊、饮料设备、强夯机、雷达等各大领域 | ||
电话/微信:138-8949-5179
NTN 6026N轴承详细信息
6026N轴承是【NTN轴承 > 深沟球轴承 > 深沟球轴承】的型号,主要用在家用电器、燃汽轮机、中型及大型电动机、后轮、轧钢机辊道子、起重机吊钩、塔吊、饮料设备、强夯机、雷达等各大领域。
NTN 6026N轴承详细参数
| 轴承 | |
| 型号 | 6026N |
| 属性 | |
| 产品 | 6026 |
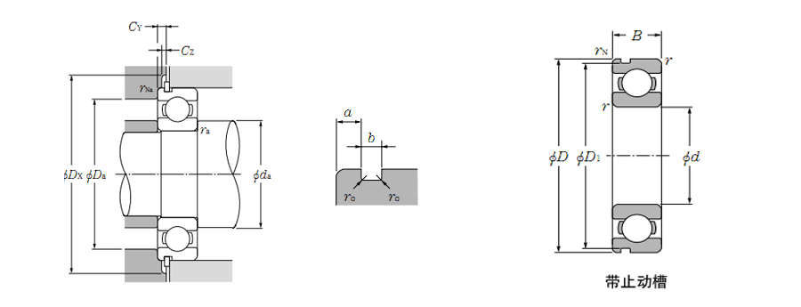
| 备注 | 带止动环槽 |
| 主要尺寸(mm) | |
| d | 130 |
| D | 200 |
| B | 33 |
| rs(min) | 2 |
| rNS(min) | 0.50 |
| 负荷(kn) | |
| Cr | 106 |
| C0r | 101 |
| 负荷(kgf) | |
| Cr | 10800 |
| C0r | 10300 |
| 因素 | |
| f0 | 15.80 |
| 限速(rpm) | |
| grease | 3200 |
| oil | 3800 |
| 重量 | |
| kg | 3.1600 |
NTN 6026N轴承尺寸图纸

