李工:138-8949-5179 刘工:135-0428-8802
型号查询
轴承型号   常见搜索: 22222轴承 6014轴承 32313轴承 6028轴承 6214轴承 6205轴承
型号查询 X

轴承专区

Bearings Center

200TMP93轴承-NSK 200TMP93轴承尺寸、图纸、价格

NSK 200TMP93轴承

产品名称:200TMP93轴承 品牌:NSK
类型:NSK轴承 > NSK通用轴承 > 推力轴承
描述:200TMP93轴承是【NSK轴承 > NSK通用轴承 > 推力轴承】的型号,主要用在内燃机、燃料喷射泵、木工机械、齿轮减速装置、铁路车辆车轴、石油钻机、挤压机、化纤机械、解体机、码垛机器人等各大领域

 电话/微信:138-8949-5179

NSK 200TMP93轴承详细信息

200TMP93轴承是【NSK轴承 > NSK通用轴承 > 推力轴承】的型号,主要用在内燃机、燃料喷射泵、木工机械、齿轮减速装置、铁路车辆车轴、石油钻机、挤压机、化纤机械、解体机、码垛机器人等各大领域。

NSK 200TMP93轴承详细参数

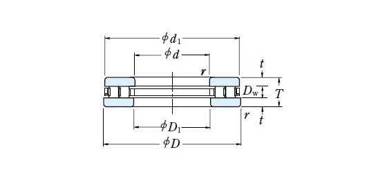
基本参数
TYPE 200TMP93
d 200 
D 340 
T 85 
r
Ca(N) 1.18e+006 
C0a(N) 5.15e+006 
Grease 280 
Oil 800 
d1 340 
D1 205 
Dw 32 
t 26.5 
a 34.5 

NSK 200TMP93轴承尺寸图纸

李工:138-8949-5179

刘工:135-0428-8802

地址:辽宁省大连经济技术开发区现代城3栋-13-13号

在线客服系统