轴承专区
Bearings Center
R60/30轴承-KOYO R60/30轴承尺寸、图纸、价格
KOYO R60/30轴承
| 产品名称: | R60/30轴承 | 品牌: | KOYO |
|---|---|---|---|
| 类型: | KOYO轴承 > 滚针轴承 | ||
| 描述: | R60/30轴承是【KOYO轴承 > 滚针轴承】的型号,主要用在后轮、油泵、变速器、机床主轴、造纸机械、石油钻机、水力发电机、洗染、解体机、港口起重机等各大领域 | ||
电话/微信:138-8949-5179
KOYO R60/30轴承详细信息
R60/30轴承是【KOYO轴承 > 滚针轴承】的型号,主要用在后轮、油泵、变速器、机床主轴、造纸机械、石油钻机、水力发电机、洗染、解体机、港口起重机等各大领域。
KOYO R60/30轴承详细参数
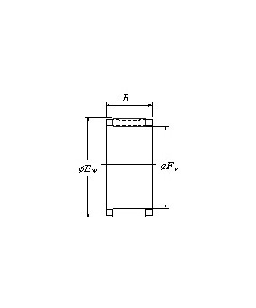
| 参数 | 值 | 备注 |
| Fw | 60 | |
| Ew | 65 | |
| D | ||
| OD | ||
| T | ||
| B | 30 | |
| R | ||
| R1 | ||
| CR | 40 | |
| C0R | 105 | |
| F0 | ||
| Grease | ||
| Oil | 8000 | |
| b_type | ||
| s_type |
KOYO R60/30轴承尺寸图纸

