轴承专区
Bearings Center
23160RHAK+AH3160轴承-KOYO 23160RHAK+AH3160轴承尺寸、图纸、价格
KOYO 23160RHAK+AH3160轴承
| 产品名称: | 23160RHAK+AH3160轴承 | 品牌: | KOYO |
|---|---|---|---|
| 类型: | KOYO轴承 > 球面滚子轴承 | ||
| 描述: | 23160RHAK+AH3160轴承是【KOYO轴承 > 球面滚子轴承】的型号,主要用在仪表、罗茨鼓风机、燃汽轮机、建筑机械、减速装置、制铁制钢机械、碾煤机、精细化工机械、堆取料机、厨具设备等各大领域 | ||
电话/微信:138-8949-5179
KOYO 23160RHAK+AH3160轴承详细信息
23160RHAK+AH3160轴承是【KOYO轴承 > 球面滚子轴承】的型号,主要用在仪表、罗茨鼓风机、燃汽轮机、建筑机械、减速装置、制铁制钢机械、碾煤机、精细化工机械、堆取料机、厨具设备等各大领域。
KOYO 23160RHAK+AH3160轴承详细参数
| 参数 | 值 | 备注 |
| Fw | ||
| Ew | ||
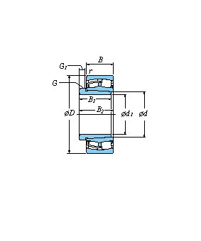
| D | 280 | |
| OD | 500 | |
| T | ||
| B | 160 | |
| R | 5 | |
| R1 | ||
| CR | 2730 | |
| C0R | 4970 | |
| F0 | ||
| Grease | 580 | |
| Oil | 780 | |
| b_type | ||
| s_type |
KOYO 23160RHAK+AH3160轴承尺寸图纸

