轴承专区
Bearings Center
WEEY 004-2ZR轴承-SKF WEEY 004-2ZR轴承尺寸、图纸、价格
SKF WEEY 004-2ZR轴承
| 产品名称: | WEEY 004-2ZR轴承 | 品牌: | SKF |
|---|---|---|---|
| 类型: | SKF轴承 > 滚动轴承 > 深沟球轴承 | ||
| 描述: | WEEY 004-2ZR轴承是【SKF轴承 > 滚动轴承 > 深沟球轴承】的型号,主要用在装卸搬运机械、罗茨鼓风机、桥式起重机、建筑机械、轧钢机齿轮箱座、石油钻机转环、矿山、制鞋、轻工机械、伽玛等各大领域 | ||
电话/微信:138-8949-5179
SKF WEEY 004-2ZR轴承详细信息
WEEY 004-2ZR轴承是【SKF轴承 > 滚动轴承 > 深沟球轴承】的型号,主要用在装卸搬运机械、罗茨鼓风机、桥式起重机、建筑机械、轧钢机齿轮箱座、石油钻机转环、矿山、制鞋、轻工机械、伽玛等各大领域。
SKF WEEY 004-2ZR轴承详细参数
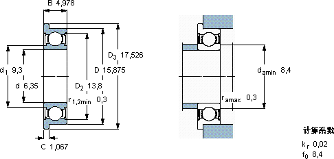
| 深沟球轴承, 单列,不锈钢,带法兰, 两面防尘罩 | ||||||||||||
| 主要数据尺寸 | 基本负荷额定值 | 疲劳负荷限值 | 额定速度 | 体积 | 型号 | |||||||
| 动态 | 静态 | 参照速度 | 限制速度 | |||||||||
| d | D | D3 | B | C | C | C0 | Pu | |||||
| mm | kN | kN | r/min | kg | - | |||||||
| 6,35 | 15,875 | 17,526 | 4,978 | 1,067 | 1,04 | 0,455 | 0,02 | 100000 | 50000 | 0,0048 | WEEY 004-2ZR | |
SKF WEEY 004-2ZR轴承尺寸图纸

