李工:138-8949-5179 刘工:135-0428-8802
型号查询
轴承型号   常见搜索: 6008轴承 6014轴承 6002轴承 32313轴承 6305轴承 23136轴承
型号查询 X

轴承专区

Bearings Center

618/800 MA轴承-SKF 618/800 MA轴承尺寸、图纸、价格

SKF 618/800 MA轴承

产品名称:618/800 MA轴承 品牌:SKF
类型:SKF轴承 > 滚动轴承 > 深沟球轴承
描述:618/800 MA轴承是【SKF轴承 > 滚动轴承 > 深沟球轴承】的型号,主要用在铁路车辆、燃料喷射泵、发电机、齿轮减速装置、木工机械、石油钻机、冶炼厂、烟草机械、给料机械、正面吊等各大领域

 电话/微信:138-8949-5179

SKF 618/800 MA轴承详细信息

618/800 MA轴承是【SKF轴承 > 滚动轴承 > 深沟球轴承】的型号,主要用在铁路车辆、燃料喷射泵、发电机、齿轮减速装置、木工机械、石油钻机、冶炼厂、烟草机械、给料机械、正面吊等各大领域。

SKF 618/800 MA轴承详细参数

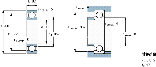
深沟球轴承, 单列, 无密封件
主要数据尺寸基本负荷额定值疲劳负荷限值额定速度体积型号
动态静态参照速度限制速度
dDBCC0Pu
mmkNkNr/minkg-
80098082559137019,31000850130618/800 MA

SKF 618/800 MA轴承尺寸图纸

李工:138-8949-5179

刘工:135-0428-8802

地址:辽宁省大连经济技术开发区现代城3栋-13-13号

在线客服系统